The phone:
0411-39515321
Dalian Guoteng Intelligent Machinery Manufacturing Co., Ltd. High-precision precision intelligent machinery manufacturer Intelligent machinery equipment solution service provider
Product Detail

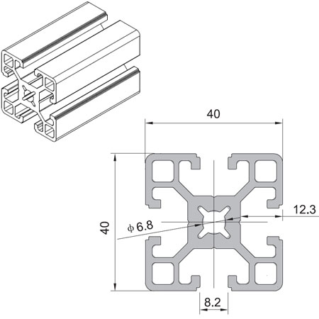
Profile 40x40-2N (unit: mm)

Detail

Material

Aluminum (6063-T5)

Unit mass: 1.85kg/m

Length: 6.02m

Collective inertia: lx:9.18cm4 ly:8.75cm4

Section inertia: zx:4.53cm3 zy:4.37cm3

Uses: mostly used for frame production of stronger structures

14.jpg

About us Dalian Guoteng Intelligent Machinery Co., Ltd. is located in Dalian, a beautiful coastal city in northern China. The company was established on October 14, 1999. Mainly committed to the innovation, research, development and application of warehousing and logistics technology and equipment automation, informatization and integration technology. Provide customers with overall solutions from development, design, manufacture, installation to service to meet the specific needs of different customers.
Contact us
Address: No. 292, Yaogong Street, Ganjingzi District, Dalian City
Tel: 86(0411)39515321/39515323
Fax: 0411-39515379
Postal code: 116011
E-mail: guoteng@dl-golden.com